位置 : 网站首页 - 产品中心

GJS200W-10.0

返回上一级

产品详情


 
产品说明:
电气性能
参考标准
UL
IEC
额定电压
400V
450V
额定电流
24A
41A
导线线径
18-12AWG
2.5mm2
 
机械性能
环境温度
-40°C~T110°C
 
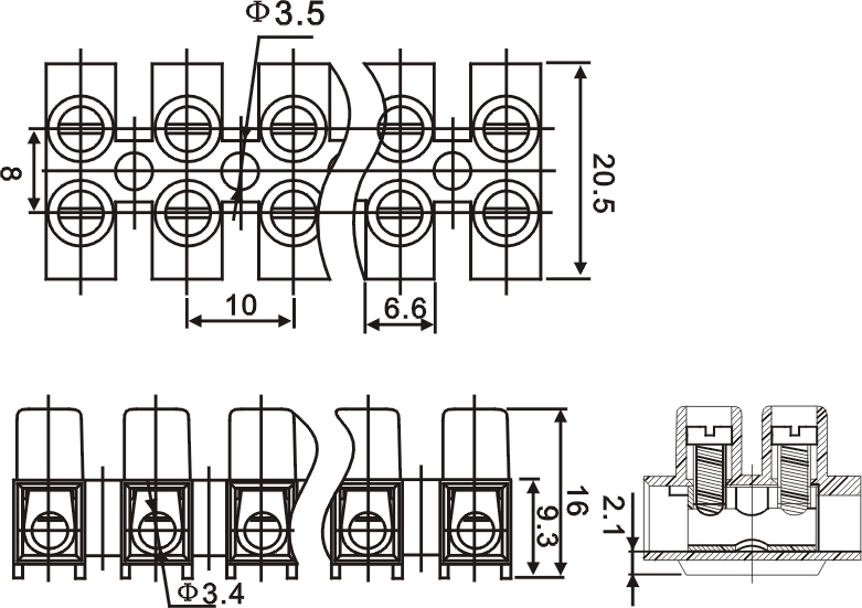
尺寸
间距
10.0mm(.394")
极数
2P-12P
 
材质和电镀
塑件
PA66,UL94V-2
载流体
合金,镀镍
螺丝
钢,镀Cr3+钝化彩锌
簧片
不锈钢
 

 

版权所有 宁波光捷电子科技有限公司 浙ICP备18023969号
地址:宁波慈溪市逍林北工业园区
电话:13806646447(马先生)     邮箱: 1206160566@qq.com
技术支持 :世创网络

咨询热线:
0574-63512379
在线客服:
客服一
客服二
官方微信站:
公司官网: www.gjmhc.com